АББ IRB 4400L30 M98
Версия IRB4400 с удлиненной рукой, горизонтальный вынос руки – 2432 мм. Чрезвычайно быстрый компактный робот для работы с тяжелыми грузами или грузами средней тяжести. Исключительно разносторонние возможности позволяют применять его для решения широкого спектра производственных задач.
Контроллер S4 включает оперирует языком RAPID, что значительно упрощает процесс программирования.
Грузоподъемность до 30 кг на высоких скоростях позволяет осуществлять манипуляции с двумя деталями одновременно.
Скоростная маневренность делают IRB4400 идеально подходящим для использования в производственных областях, где важны подвижность и гибкость.
Надежная прочная конструкция обусловливает более редкую периодичность технического обслуживания. Сбалансированные стальные руки с двухрядными подшипниками на шарнирах,
амортизатор крутящего момента на оси 2 и использование не требующих обслуживания редукторов и кабельной проводки также способствуют высокому уровню эксплуатационной стабильности.
Приводной механизм оптимизирован таким образом, чтобы обеспечивать высокий крутящий момент при самом незначительном потреблении энергии, что снижает операционные расходы.
Характеристики робота:
-
Максимальная грузоподъемность: 30 кг
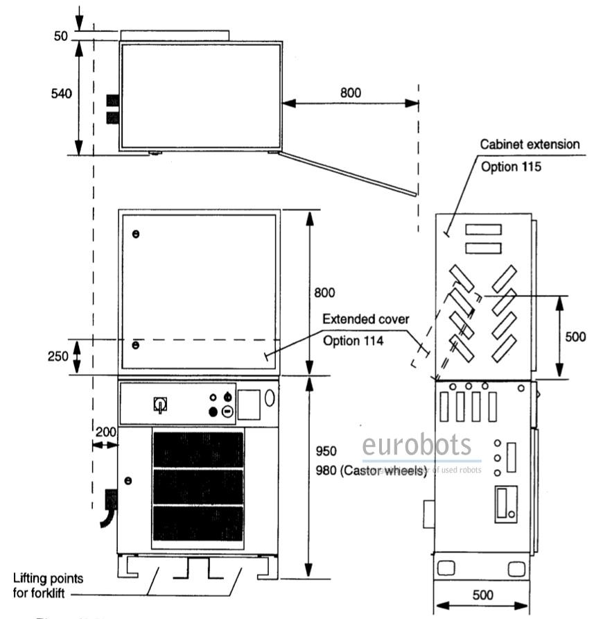
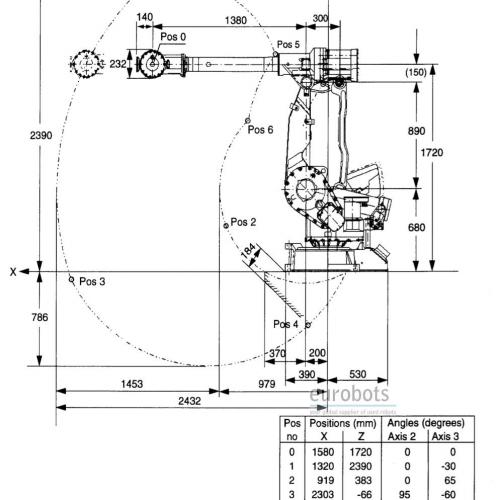
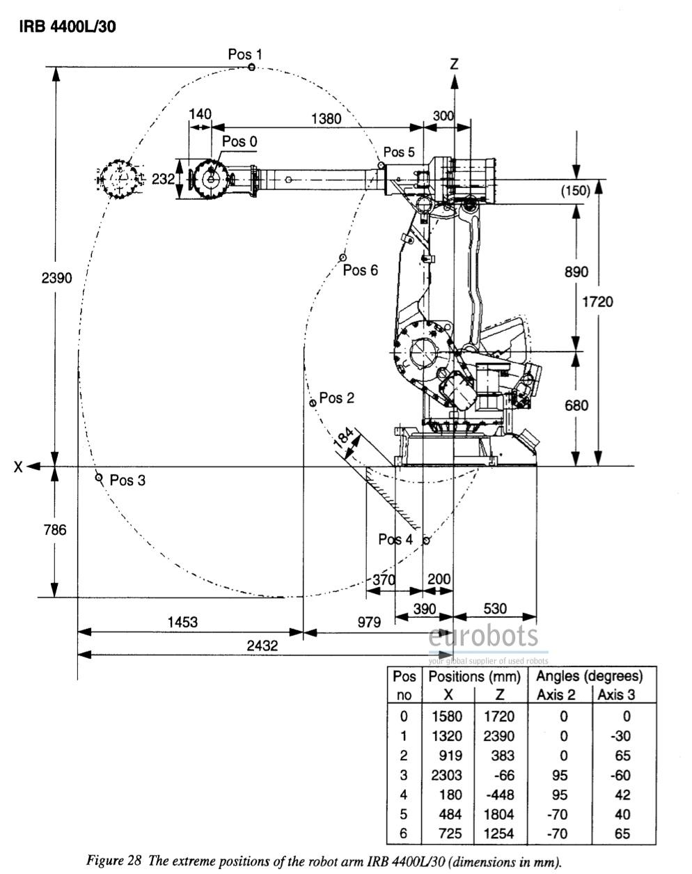
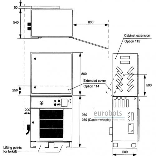
- Максимальный радиус действия: 2432 мм
- Точность: 0,1 мм
- Контроллер: M97A-M98A-M99 S4C
Скорость движения:
- Ось 1: 150º/сек
- Ось 2: 120º/сек
- Ось 3: 120º/сек
- Ось 4: 225º/сек
- Ось 5: 250º/сек
- Ось 6: 330º/сек
Области применения
Дуговая сварка , Поддержка прессы , Паллетирование , Погрузка и разгрузка деталей , Обработка , Обработка деталей , Измерение , Склеивание - склеивание
Картинки
Диаграммы
English
Spain
Germany
France
China
Argentina
Portugal
Colombia
Italy
India
Brazil
Japan
Mexico
Turkey
Ukraine
Peru
Sth. Africa